|
|
| Автор |
Сообщение |
Baileys58 Эксперт

Зарегистрирован: 10.01.2009 Сообщения: 963 Откуда: Москва
Статус: Вне форума
|
02.04.2009 14:37 |
[цитировать] |
|
Можно так же использовать выход блокировки, если запрограммировать на Н.Р блокировку, а доп.канал на дожим стёкол, например. Да много чего ещё можно придумать...
_________________ С уважением Baileys. |
|
| Вернуться к началу |
[профиль] [л.с.] |
 |
SCOUT Свой человек
Зарегистрирован: 29.01.2008 Сообщения: 27
Статус: Вне форума
|
02.04.2009 15:45 |
[цитировать] |
|
| Baileys58 писал(а): | Можно так же использовать выход блокировки, если запрограммировать на Н.Р блокировку, а доп.канал на дожим стёкол, например. Да много чего ещё можно придумать...  |
тоесть с первым каналом разобрались можно цепь аксесуаров запитать от нее...
а вот стеклодоводчик Pandora DWM-502, можно на второй канал зачепить, или для стеклодоводчика есть свои провода??
|
|
| Вернуться к началу |
[профиль] [л.с.] |
 |
Baileys58 Эксперт

Зарегистрирован: 10.01.2009 Сообщения: 963 Откуда: Москва
Статус: Вне форума
|
02.04.2009 18:45 |
[цитировать] |
|
| SCOUT писал(а): | | тоесть с первым каналом разобрались можно цепь аксесуаров запитать от нее... |
Не цепь АСС, а непосредственно магнитолу. Все подключения можно выполнить на разъёме.
| SCOUT писал(а): | | стеклодоводчик Pandora DWM-502, можно на второй канал зачепить, или для стеклодоводчика есть свои провода?? |
Доводчик в таком случае можно подключить к активатору замка, и поставить Н.З. реле на зажигание. Но проще всё же использовать 1-ый доп.канал и выход Н.Р блокировки.
_________________ С уважением Baileys. |
|
| Вернуться к началу |
[профиль] [л.с.] |
 |
Baileys58 Эксперт

Зарегистрирован: 10.01.2009 Сообщения: 963 Откуда: Москва
Статус: Вне форума
|
02.04.2009 18:50 |
[цитировать] |
|
Доп.канал 2 используется для других целей:
Событие для включения
«дополнительного
канала 2»
1) Только
нажатие
кнопок (II+III)
2) Успешный
дистанционный
запуск двигателя
или нажатие кнопок
(II+III)
3) Попытка
дистанционного
запуска
двигателя или
нажатие кнопок
(II+III)
4) Отпирание замков
пассажирских
дверей
_________________ С уважением Baileys. |
|
| Вернуться к началу |
[профиль] [л.с.] |
 |
SCOUT Свой человек
Зарегистрирован: 29.01.2008 Сообщения: 27
Статус: Вне форума
|
15.04.2009 09:50 |
[цитировать] |
|
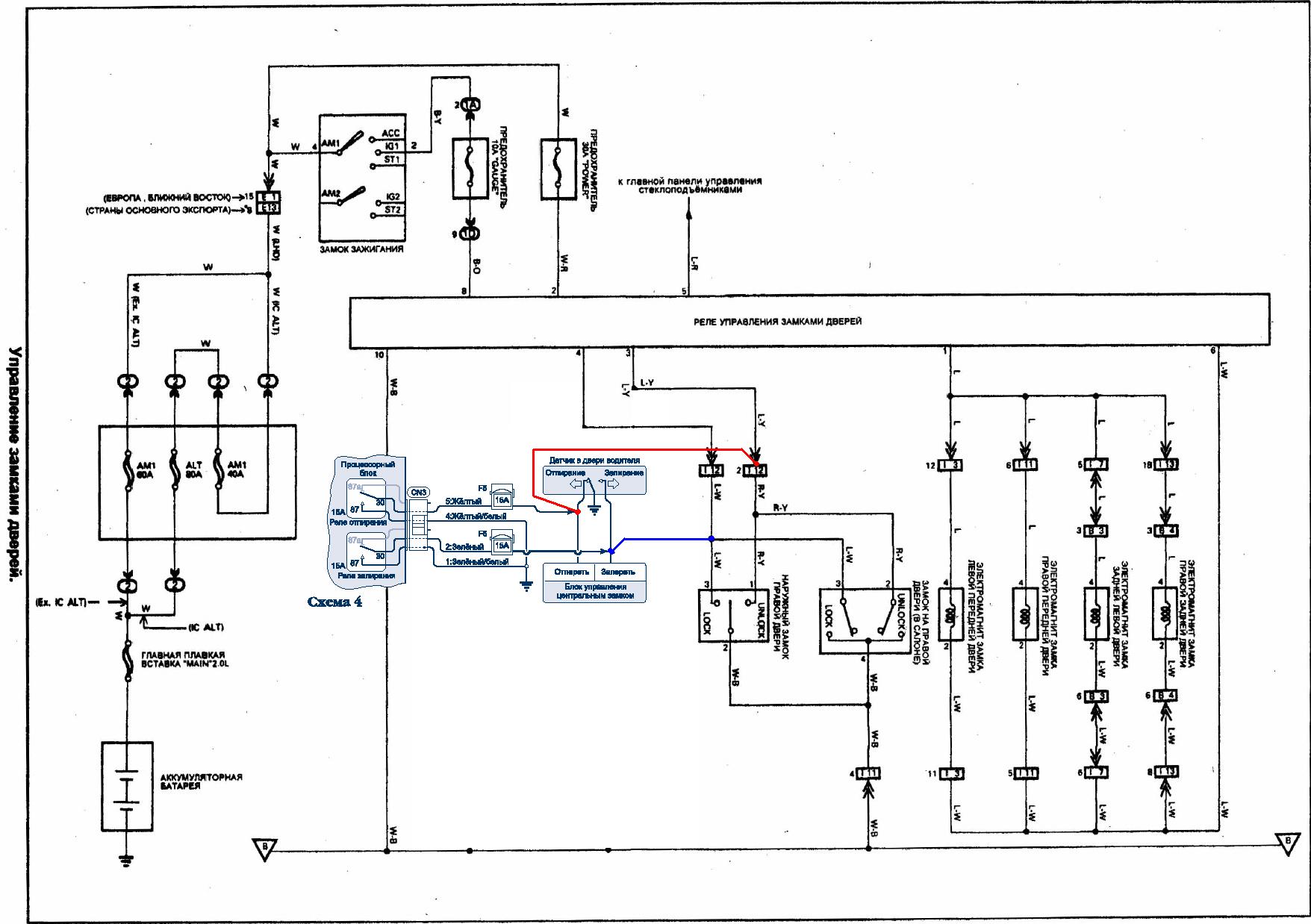
решил поднять темку... пару вопросов созрели
Вопрос №1
по цетральному замку, вот схема если я не ошибаюсь то выбрал правильный вариант???? пробывал подлючать мультик на цепь , один щуп на цепь заперания другой щуп на массу кузова, при запирание на момент появляется импульс минуса
| Описание: |
|
 Скачать |
| Имя файла: |
(3).jpg |
| Размер файла: |
199.67 KB |
| Скачано: |
1258 раз(а) |
Последний раз редактировалось: SCOUT (15.04.2009 09:58), всего редактировалось 1 раз |
|
| Вернуться к началу |
[профиль] [л.с.] |
 |
SCOUT Свой человек
Зарегистрирован: 29.01.2008 Сообщения: 27
Статус: Вне форума
|
15.04.2009 09:56 |
[цитировать] |
|
и вопрос № 2, по подлючению контроля работы мотора по цепи генератора.
| Описание: |
|
| Размер файла: |
89.67 KB |
| Просмотрено: |
1331 раз(а) |

|
|
|
| Вернуться к началу |
[профиль] [л.с.] |
 |
Baileys58 Эксперт

Зарегистрирован: 10.01.2009 Сообщения: 963 Откуда: Москва
Статус: Вне форума
|
15.04.2009 13:43 |
[цитировать] |
|
А в чём собственно вопрос?
_________________ С уважением Baileys. |
|
| Вернуться к началу |
[профиль] [л.с.] |
 |
SCOUT Свой человек
Зарегистрирован: 29.01.2008 Сообщения: 27
Статус: Вне форума
|
15.04.2009 14:45 |
[цитировать] |
|
| Baileys58 писал(а): | | А в чём собственно вопрос? |
в правильную сторону меня привела схема цепи генератора, все верно подлючил?
правильно ли я выбрал управление цетральником через минус?
|
|
| Вернуться к началу |
[профиль] [л.с.] |
 |
Baileys58 Эксперт

Зарегистрирован: 10.01.2009 Сообщения: 963 Откуда: Москва
Статус: Вне форума
|
15.04.2009 15:19 |
[цитировать] |
|
Да, всё верно. Но корректнее по тахо подключиться.
_________________ С уважением Baileys. |
|
| Вернуться к началу |
[профиль] [л.с.] |
 |
SCOUT Свой человек
Зарегистрирован: 29.01.2008 Сообщения: 27
Статус: Вне форума
|
15.04.2009 15:51 |
[цитировать] |
|
| Baileys58 писал(а): | | Да, всё верно. Но корректнее по тахо подключиться. |
у меня тахо идет с компа мотора, а на комп попадает с датчиков оборота и положения тнвд.. то есть можно и туда чепануться? алигатор кстати на тахо и цеплялся...
|
|
| Вернуться к началу |
[профиль] [л.с.] |
 |
Baileys58 Эксперт

Зарегистрирован: 10.01.2009 Сообщения: 963 Откуда: Москва
Статус: Вне форума
|
15.04.2009 17:49 |
[цитировать] |
|
Можно туда зацепить, можно к форсунке, или на приборке поискать.
_________________ С уважением Baileys. |
|
| Вернуться к началу |
[профиль] [л.с.] |
 |
sasha19000 Эксперт

Зарегистрирован: 07.02.2008 Сообщения: 301 Откуда: Казахстан
Статус: Вне форума
|
15.04.2009 18:17 |
[цитировать] |
|
| Baileys58 писал(а): | | Можно туда зацепить, можно к форсунке, или на приборке поискать. |
Шер-хан 5 с тахо не работает
|
|
| Вернуться к началу |
[профиль] [л.с.] |
 |
Baileys58 Эксперт

Зарегистрирован: 10.01.2009 Сообщения: 963 Откуда: Москва
Статус: Вне форума
|
15.04.2009 18:28 |
[цитировать] |
|
А я забыл совсем что это шарик... Прошу прощения! Тогда нужно делать по гене. Только на схеме, как я понимаю с генератора минус выходит, а у шерхана вход плюсовой.
Датчик генератора:
При включенном зажигании, пока не работает двигатель,
напряжение на этом проводе должно быть менее 5В, а при работающем
двигателе – от 9В до 14В
Есть вариант ещё по эл.шумам, в мануале всё описано.
_________________ С уважением Baileys. |
|
| Вернуться к началу |
[профиль] [л.с.] |
 |
Вова К. Эксперт

Зарегистрирован: 09.11.2007 Сообщения: 1530 Откуда: Московская область г.Клин
Статус: Вне форума
|
15.04.2009 22:56 |
[цитировать] |
|
Ребята, подскажите. Не стал создавать новую тему, спрашиваю здесь.
Сёдня клиент принёс Шерхана пятого, подключил, питание идёт, датчик ударов моргает, а брелков ни одного не видит. Пытаюсь прописать, входит я так понял в валет (светодиод постоянно светит) и всё... тупик. Перечитал обе инструкции - ничего про валет без брелка нет, на тройное включение зажигания не реагирует. Как быть, подскажите
_________________ век живи, век учись... |
|
| Вернуться к началу |
[профиль] [л.с.] |
 |
Baileys58 Эксперт

Зарегистрирован: 10.01.2009 Сообщения: 963 Откуда: Москва
Статус: Вне форума
|
15.04.2009 23:31 |
[цитировать] |
|
Шарики теряют брелки... есть такое. Пропиши брелки, там 3 раза нужно вкл/выкл зажигание и в течении 4сек. ввести первую цифру кода, дождаться подтверждения и ввести вторую, после нажимай первую кнопку брелков, причём если только 2 брелка пишешь, то на втором кнопочку нажми 2 раза.
Важно ввести код 11, а не 1111! Последний используется как раз для включения VALET без брелка.
_________________ С уважением Baileys.
Последний раз редактировалось: Baileys58 (15.04.2009 23:49), всего редактировалось 1 раз |
|
| Вернуться к началу |
[профиль] [л.с.] |
 |
|