|
|
| Автор |
Сообщение |
TeX Студент
Зарегистрирован: 30.01.2009 Сообщения: 7
Статус: Вне форума
|
30.01.2009 20:41 Подключение Star line B6 |
[цитировать] |
|
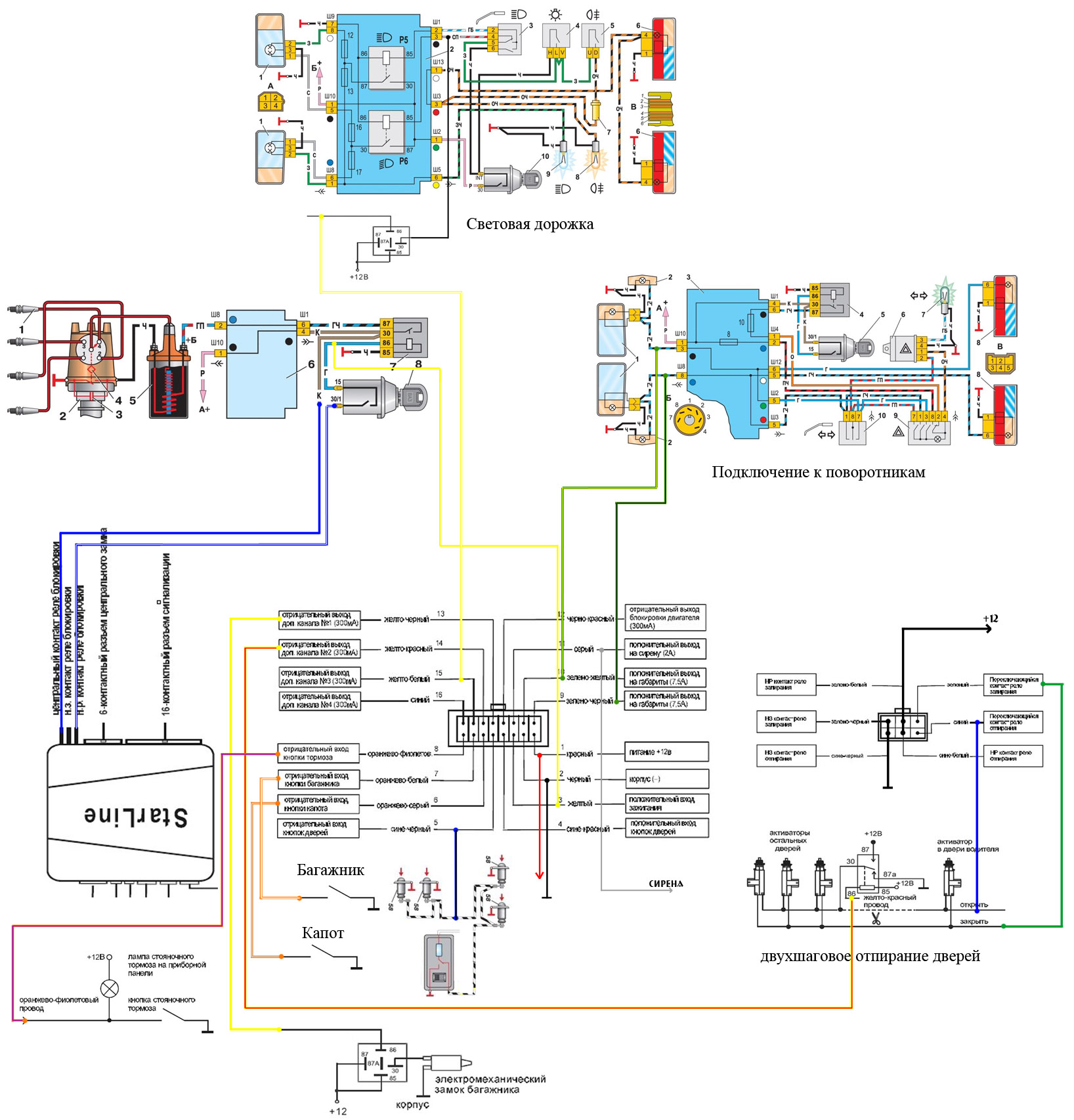
Здравствуйте, уважаемые !
Вот решил самостоятельно подключить сигнализацию Star Line B6 на свой Ваз 21074 карбовый. Решил сам подключать не столько из-за денежной стороны, сколько из желания сделать самому, а то в установочных мастерских иногда делают так паршиво, что хочется самому переделать все заново (у друзей смотрел как ставили "профессионалы", без слез не взглянешь). В итоге, почитал инструкцию к сигналке, почитал форумы, вчастности этот, и чтоб не тыкаться потом и не флудить на форуме постами типа "Помогите почему не работает", накидал схемку подключения. Не ругайте меня за сие творчество просто посмотрите правильно ли я подключил, и нужно ли где-то подключаться через диоды и возможны ли варианты упрощения схемы подключения. Посоветуйте новичку. Буду признателен за любые советы по теме.
З.Ы.
Схемка получилась немного великовата, так что необессудьте.
| Описание: |
|
 Скачать |
| Имя файла: |
schem.jpg |
| Размер файла: |
384.02 KB |
| Скачано: |
1088 раз(а) |
|
|
| Вернуться к началу |
[профиль] [л.с.] |
 |
KPV Советник

Зарегистрирован: 12.01.2008 Сообщения: 105 Откуда: Копейск
Статус: Вне форума
|
30.01.2009 22:05 |
[цитировать] |
|
| вроде бы все правильно, только поворотники цепляй в салоне на голубой и голубой/черный (у тебя нарисованы под капотом) и когда будешь ставить сигу, то концевики дверей почисти или поменяй(это болезнь, причем неизлечимая)
|
|
| Вернуться к началу |
[профиль] [л.с.] |
 |
pisto Эксперт
Зарегистрирован: 14.12.2006 Сообщения: 1863
Статус: Вне форума
|
30.01.2009 22:21 |
[цитировать] |
|
Концевики менять не нужно.Поджать плосками,чтобы усы втыкались,послужат еще.
Когда сигу будешь цеплять,самый первый провод для подключения,должна быть масса сиги,т.е. черный провод.Удачи.
|
|
| Вернуться к началу |
[профиль] [л.с.] |
 |
TeX Студент
Зарегистрирован: 30.01.2009 Сообщения: 7
Статус: Вне форума
|
30.01.2009 22:56 |
[цитировать] |
|
| KPV писал(а): | | вроде бы все правильно, только поворотники цепляй в салоне на голубой и голубой/черный (у тебя нарисованы под капотом) и когда будешь ставить сигу, то концевики дверей почисти или поменяй(это болезнь, причем неизлечимая) |
Я впринципе я хотел большинство подключений сделать в блоке предохранителей. А вот насчет концевиков в дверях, это да нужно их поджать и почистить. Смущает одно, не нужно ли подключаться к поворотникам и концевикам в дверях через диоды.
| pisto писал(а): | | Когда сигу будешь цеплять,самый первый провод для подключения,должна быть масса сиги,т.е. черный провод.Удачи. | Не знал, буду иметь ввиду.
И еще в инструкции как-то расплывчато написано по поводу встроенного реле блокировки, как правильнее подключится к Н.З. контактам или к Н.Р. ?
З.Ы.
Куда и какую еще блокировку или мульку можно подцепить к этой сиге ?
|
|
| Вернуться к началу |
[профиль] [л.с.] |
 |
Ronasel Свой человек

Зарегистрирован: 10.04.2008 Сообщения: 41 Откуда: г.Ковров
Статус: Вне форума
|
30.01.2009 23:09 |
[цитировать] |
|
| pisto писал(а): | | Концевики менять не нужно.Поджать плосками,чтобы усы втыкались,послужат еще. |
+1 Причем долго!
Оранжево-фиолетовый кидай на массу он тебе нафиг не нежен сига без запуска. А так все правильно по схеме. Под капот только 2 провода выводить остальное есть под щитком приборов.
|
|
| Вернуться к началу |
[профиль] [л.с.] |
 |
KPV Советник

Зарегистрирован: 12.01.2008 Сообщения: 105 Откуда: Копейск
Статус: Вне форума
|
30.01.2009 23:13 |
[цитировать] |
|
диоды не нужны
по блокировке цепляй черный/белый через реле(можно порвать второй раз тот же стартер или зажигание или отключить катушку, даже можешь датчик холостого хода порвать)
и как заметил Pisto сначала подключай массу, потом все остальное
|
|
| Вернуться к началу |
[профиль] [л.с.] |
 |
TeX Студент
Зарегистрирован: 30.01.2009 Сообщения: 7
Статус: Вне форума
|
30.01.2009 23:24 |
[цитировать] |
|
| Я че-то протормозил, насколько я помню жгут от блока предохранителей идет по переборке моторного отсека и заходит в салон под приборным щитком, поэтому прийдется подключаться под щитком приборов.
|
|
| Вернуться к началу |
[профиль] [л.с.] |
 |
Ronasel Свой человек

Зарегистрирован: 10.04.2008 Сообщения: 41 Откуда: г.Ковров
Статус: Вне форума
|
30.01.2009 23:25 |
[цитировать] |
|
| Нет он заходит в салон под бардачком. Можно и там ко всему подключиться.
|
|
| Вернуться к началу |
[профиль] [л.с.] |
 |
TeX Студент
Зарегистрирован: 30.01.2009 Сообщения: 7
Статус: Вне форума
|
30.01.2009 23:28 |
[цитировать] |
|
| KPV писал(а): | | диоды не нужны |
Понятно.
| KPV писал(а): | | цепляй черный/белый через реле |
может черно-красный ?
|
|
| Вернуться к началу |
[профиль] [л.с.] |
 |
Ronasel Свой человек

Зарегистрирован: 10.04.2008 Сообщения: 41 Откуда: г.Ковров
Статус: Вне форума
|
30.01.2009 23:32 |
[цитировать] |
|
Можно он тоже пойдет для блокировки.
_________________ Только в нашей стране делают ямы на дорогах по ГОСТу =)))
"Согласно ГОСТ 50597-93, размеры ям не должны превышать 15 см по длине, 80 см по ширине и 5 см по глубине" |
|
| Вернуться к началу |
[профиль] [л.с.] |
 |
TeX Студент
Зарегистрирован: 30.01.2009 Сообщения: 7
Статус: Вне форума
|
30.01.2009 23:32 |
[цитировать] |
|
| Ronasel писал(а): | | Нет он заходит в салон под бардачком. Можно и там ко всему подключиться. |
Значит я перепутал с 2106.
Я думал поставить блок в районе бардачка и подключиться к блоку предохранителей. Там кажется есть свободное место.
|
|
| Вернуться к началу |
[профиль] [л.с.] |
 |
TeX Студент
Зарегистрирован: 30.01.2009 Сообщения: 7
Статус: Вне форума
|
30.01.2009 23:34 |
[цитировать] |
|
| Ronasel писал(а): | | Можно он тоже пойдет для блокировки. |
В схеме нет черно-белого провода.
|
|
| Вернуться к началу |
[профиль] [л.с.] |
 |
Ronasel Свой человек

Зарегистрирован: 10.04.2008 Сообщения: 41 Откуда: г.Ковров
Статус: Вне форума
|
30.01.2009 23:38 |
[цитировать] |
|
| TeX писал(а): | | Ronasel писал(а): | | Можно он тоже пойдет для блокировки. |
В схеме нет черно-белого провода. |
Я про черно-красный говорю
|
|
| Вернуться к началу |
[профиль] [л.с.] |
 |
TeX Студент
Зарегистрирован: 30.01.2009 Сообщения: 7
Статус: Вне форума
|
30.01.2009 23:44 |
[цитировать] |
|
Я так и понял
Ну раз говорите все правильно в схеме подключения, значит можно начинать устанавливать
|
|
| Вернуться к началу |
[профиль] [л.с.] |
 |
|