|
|
| Автор |
Сообщение |
D!MK@ Студент
Зарегистрирован: 04.01.2009 Сообщения: 21
Статус: Вне форума
|
07.01.2009 13:07 установка на Mazda Xedos 9 |
[цитировать] |
|
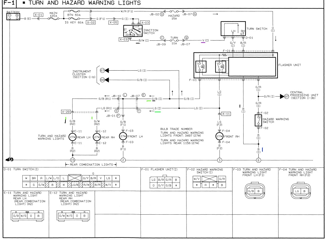
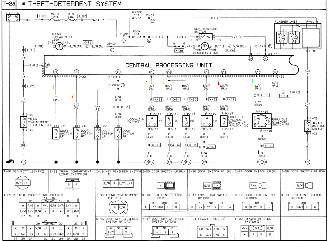
помогите с утсановкой Sheriff zx 700 на Кседос.
1 как правильно получать сигнал с дверей, с ламочек или контактов?
2 надо брать со всех дверей сигнал или как это реализовать ?
3 куда лучше поставить датчик удара ?
4 куда подключить светвую тревогу, поворотники или габариты или на аварийку?
5 как подключить свет.тревогу?
| Описание: |
|
 Скачать |
| Имя файла: |
dver.jpg |
| Размер файла: |
278.98 KB |
| Скачано: |
1120 раз(а) |
| Описание: |
|
 Скачать |
| Имя файла: |
svet.jpg |
| Размер файла: |
198.21 KB |
| Скачано: |
1084 раз(а) |
|
|
| Вернуться к началу |
[профиль] [л.с.] |
 |
signalo4kин Студент
Зарегистрирован: 19.12.2008 Сообщения: 24 Откуда: москоу
Статус: Вне форума
|
|
| Вернуться к началу |
[профиль] [л.с.] |
 |
Baileys58 Эксперт

Зарегистрирован: 10.01.2009 Сообщения: 963 Откуда: Москва
Статус: Вне форума
|
16.01.2009 18:30 |
[цитировать] |
|
Уважаемый D!mk, если уж в этом у вас возникают промблемы, то браться за этот аппарат категорически не советую! Оставьте его более опытным установщикам. Иначе дороже может дороже для себя получиться.
_________________ С уважением Baileys. |
|
| Вернуться к началу |
[профиль] [л.с.] |
 |
D!MK@ Студент
Зарегистрирован: 04.01.2009 Сообщения: 21
Статус: Вне форума
|
19.01.2009 10:38 |
[цитировать] |
|
я понимаю что это ваш хлеб, установщиков, но какой смысл от форума тогда?????
проблему я уже решил и сам все установил, осталось настроить датчики.
и потом я не верю установщикам, он не может физический знать все тонкости авто, а значит может накасячить !!! например открыть тот же самы наличник не сломав его надо знать как, по этому решил делать сам!
и другим хочу сказать что бы не стеснялись получать знания
|
|
| Вернуться к началу |
[профиль] [л.с.] |
 |
Грин /АвтоСет/ Тех.поддержка АвтоСет

Зарегистрирован: 13.07.2004 Сообщения: 4139 Откуда: АвтоСет Москва
Статус: Вне форума
|
19.01.2009 16:30 |
[цитировать] |
|
Хлеб хлебом...
Какую именно инфу хотим получить от форума?
Ликбез проводить ни кому нет охоты, да и смысл какой?
Если есть конкретный вопрос то есть и ответ, а разжовувать все до конца....
ЗЫ. Наша конфа оч многим помогла!!!!!!
_________________ ...Электрик от пассатижей недалеко падает!
народная мудрость
Посмотрим, подумаем... возможно поможем . |
|
| Вернуться к началу |
[профиль] [л.с.] |
 |
Baileys58 Эксперт

Зарегистрирован: 10.01.2009 Сообщения: 963 Откуда: Москва
Статус: Вне форума
|
20.01.2009 00:57 |
[цитировать] |
|
Осталось только улыбнуться.......
Видишь ли, уважаемый D!MK, как правило установщик, сделал не один десяток, а то и сотню машин. И если не такая, то подобная уже была в работе. В крайнем случае помогут коллеги. А вот как раз дилетант, каким ты являешься (извини, ни чего личного), впервые столкнувший ся с этой задачкой, накосячит быстрее и серьёзней!
Совет, выбирай серьёзные установочные центры!
Ещё раз, ни чего личного, просто мнение профессионала.
_________________ С уважением Baileys. |
|
| Вернуться к началу |
[профиль] [л.с.] |
 |
Baileys58 Эксперт

Зарегистрирован: 10.01.2009 Сообщения: 963 Откуда: Москва
Статус: Вне форума
|
20.01.2009 01:10 Re: установка на Mazda Xedos 9 |
[цитировать] |
|
| D!MK@ писал(а): | помогите с утсановкой Sheriff zx 700 на Кседос.
1 как правильно получать сигнал с дверей, с ламочек или контактов?
2 надо брать со всех дверей сигнал или как это реализовать ?
3 куда лучше поставить датчик удара ?
4 куда подключить светвую тревогу, поворотники или габариты или на аварийку?
5 как подключить свет.тревогу? |
Кстати, ма..а..аленький вопросик, а как ты организовал блокировку? Может просто пропустил этот пункт в инструкции? Или с этим проблем не возникло?
_________________ С уважением Baileys. |
|
| Вернуться к началу |
[профиль] [л.с.] |
 |
D!MK@ Студент
Зарегистрирован: 04.01.2009 Сообщения: 21
Статус: Вне форума
|
20.01.2009 11:08 |
[цитировать] |
|
| Грин /АвтоСет/ писал(а): | Хлеб хлебом...
Какую именно инфу хотим получить от форума?
Ликбез проводить ни кому нет охоты, да и смысл какой?
Если есть конкретный вопрос то есть и ответ, а разжовувать все до конца....
ЗЫ. Наша конфа оч многим помогла!!!!!! |
я же не просил читать лекцию по установке а просто надо было знать
правильность моей мысли, ну это уже не важно
|
|
| Вернуться к началу |
[профиль] [л.с.] |
 |
D!MK@ Студент
Зарегистрирован: 04.01.2009 Сообщения: 21
Статус: Вне форума
|
20.01.2009 11:16 |
[цитировать] |
|
| Baileys58 писал(а): | Осталось только улыбнуться.......
Видишь ли, уважаемый D!MK, как правило установщик, сделал не один десяток, а то и сотню машин. И если не такая, то подобная уже была в работе. В крайнем случае помогут коллеги. А вот как раз дилетант, каким ты являешься (извини, ни чего личного), впервые столкнувший ся с этой задачкой, накосячит быстрее и серьёзней!
Совет, выбирай серьёзные установочные центры
Ещё раз, ни чего личного, просто мнение профессионала.  |
при всем моем уважении, я не согласен, а если у пастоновщик не сталкивался? м колеги тоже то что тогда????
да и при чем десяток??? они принципиально все одинаковы! меня даже бескоит не вопрос качество подключения а то что бы он не поломал ничего и т.д.
А кто сказал что в центрах не могут накосячит?? а если нет центров таких???я не раз сталкивался с безграмотностью сервисэнов.
профессионалы не хвастаются, ничего личного просто мнение делетанта
|
|
| Вернуться к началу |
[профиль] [л.с.] |
 |
D!MK@ Студент
Зарегистрирован: 04.01.2009 Сообщения: 21
Статус: Вне форума
|
20.01.2009 11:20 Re: установка на Mazda Xedos 9 |
[цитировать] |
|
| Baileys58 писал(а): | | D!MK@ писал(а): | помогите с утсановкой Sheriff zx 700 на Кседос.
1 как правильно получать сигнал с дверей, с ламочек или контактов?
2 надо брать со всех дверей сигнал или как это реализовать ?
3 куда лучше поставить датчик удара ?
4 куда подключить светвую тревогу, поворотники или габариты или на аварийку?
5 как подключить свет.тревогу? |
Кстати, ма..а..аленький вопросик, а как ты организовал блокировку? Может просто пропустил этот пункт в инструкции? Или с этим проблем не возникло?  |
не понятен смысл вопроса!? желание показать свою мудрость?!
так мне все равно!
планирую на бензонасос и на стартер но пока нет теплого гаража и время так что пока только как пугач а вообще изначально не планировал вообще подключать, иммобилайзера достаточно
|
|
| Вернуться к началу |
[профиль] [л.с.] |
 |
Алексей Попович Эксперт

Зарегистрирован: 06.07.2005 Сообщения: 2140 Откуда: Москва
Статус: Вне форума
|
20.01.2009 11:38 |
[цитировать] |
|
планирую на бензонасос и на стартер но пока нет теплого гаража и время так что пока только как пугач а вообще изначально не планировал вообще подключать, иммобилайзера достаточно
_________________ Любая более-менее сложная задача имеет несколько простых, изящных, лёгких для понимания неправильных решений |
|
| Вернуться к началу |
[профиль] [л.с.] |
 |
Baileys58 Эксперт

Зарегистрирован: 10.01.2009 Сообщения: 963 Откуда: Москва
Статус: Вне форума
|
20.01.2009 12:39 Re: установка на Mazda Xedos 9 |
[цитировать] |
|
планирую на бензонасос и на стартер но пока нет теплого гаража и время так что пока только как пугач а вообще изначально не планировал вообще подключать, иммобилайзера достаточно[/quote]
_________________ С уважением Baileys. |
|
| Вернуться к началу |
[профиль] [л.с.] |
 |
Baileys58 Эксперт

Зарегистрирован: 10.01.2009 Сообщения: 963 Откуда: Москва
Статус: Вне форума
|
20.01.2009 12:55 Re: установка на Mazda Xedos 9 |
[цитировать] |
|
планирую на бензонасос и на стартер но пока нет теплого гаража и время так что пока только как пугач а вообще изначально не планировал вообще подключать, иммобилайзера достаточно[/quote]
Не стал бы я так легкомысленно относится к блокировкам, и переоценивать штатный иммо....
_________________ С уважением Baileys. |
|
| Вернуться к началу |
[профиль] [л.с.] |
 |
D!MK@ Студент
Зарегистрирован: 04.01.2009 Сообщения: 21
Статус: Вне форума
|
20.01.2009 13:22 |
[цитировать] |
|
господа ваш юмор не понят
параноидальное отношение тоже безсмысленно!
|
|
| Вернуться к началу |
[профиль] [л.с.] |
 |
Baileys58 Эксперт

Зарегистрирован: 10.01.2009 Сообщения: 963 Откуда: Москва
Статус: Вне форума
|
20.01.2009 22:35 Re: установка на Mazda Xedos 9 |
[цитировать] |
|
| Baileys58 писал(а): | | планирую на бензонасос и на стартер но пока нет теплого гаража и время так что пока только как пугач а вообще изначально не планировал вообще подключать, иммобилайзера достаточно |
Не стал бы я так легкомысленно относится к блокировкам, и переоценивать штатный иммо.... [/quote]
D!IMK почитай свою личку, я там предложил тебе вариант.
_________________ С уважением Baileys. |
|
| Вернуться к началу |
[профиль] [л.с.] |
 |
|