ГлавнаяКаталог и Интернет-магазинКонтактыТехцентрПолные инструкцииПодбор по параметрам

Список форумов AutoSet.ru : форумы по автосигнализациям AutoSet.ru : форумы по автосигнализациям
Форумы по автосигнализациям и автоэлектронике.
 
 База знаний и частые вопросыБаза знаний и частые вопросы   FAQFAQ   ПоискПоиск   ПользователиПользователи   ГруппыГруппы   РегистрацияРегистрация 
 ПрофильПрофиль   Войти и проверить личные сообщенияВойти и проверить личные сообщения   ВходВход 

Подкл. Стеклоподъемников к доп. Каналу

 
Этот форум закрыт, вы не можете писать новые сообщения и редактировать старые.   Эта тема закрыта, вы не можете писать ответы и редактировать сообщения.    Список форумов AutoSet.ru : форумы по автосигнализациям -> Установка автосигнализаций - проблемы и неисправности
 
Автор Сообщение
raks
Студент


Зарегистрирован: 07.12.2008
Сообщения: 9


Статус: Вне форума

Сообщение07.12.2008 20:27    Подкл. Стеклоподъемников к доп. Каналу [цитировать]

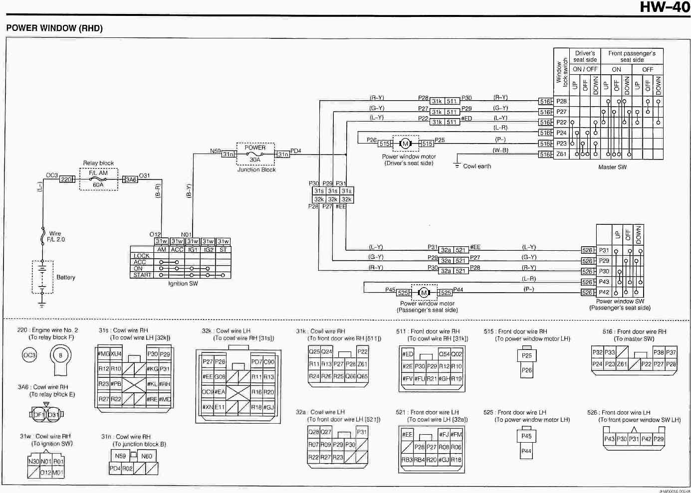
Подскажите пожалуйста как правильно подключить доп выход сигнализации к стеклоподъемникам (нужно только поднимать все стекла)? Здесь только релюшками можно али еще как-то можно?….схема, есть на такую же машину, но только с передними стеклоподъемниками…..


.jpg
 Описание:

Скачать
 Имя файла:  .jpg
 Размер файла:  164.33 KB
 Скачано:  1126 раз(а)

Вернуться к началу [профиль] [л.с.]
Алексей Попович
Эксперт


Зарегистрирован: 06.07.2005
Сообщения: 2140
Откуда: Москва

Статус: Вне форума

Сообщение07.12.2008 21:41     [цитировать]

Что за авто ? Если нет функции комфорт, то доводчик стекол и можно при постановке на охрану.
_________________
Любая более-менее сложная задача имеет несколько простых, изящных, лёгких для понимания неправильных решений
Вернуться к началу [профиль] [л.с.]
filonoff
Свой человек


Зарегистрирован: 03.09.2008
Сообщения: 47
Откуда: муром

Статус: Вне форума

Сообщение07.12.2008 22:14     [цитировать]

нужен блок доводчиков стёкол (2 или 4 стекла), а на допканале сигналки выставить нужное время импульса (зависит от доводчиков) программно.
Вернуться к началу [профиль] [л.с.]
raks
Студент


Зарегистрирован: 07.12.2008
Сообщения: 9


Статус: Вне форума

Сообщение08.12.2008 19:30     [цитировать]

машина тойота Ками.....что за блок доводчиков стёкол? может блок управления стеклоподём-ми? дорого ли он стоитэтот блок доводчиков стёкол? у меня товарищь просто к блоку управления и доп.каналу подключил пять релюшек и усе.....
Вернуться к началу [профиль] [л.с.]
pisto
Эксперт


Зарегистрирован: 14.12.2006
Сообщения: 1863


Статус: Вне форума

Сообщение08.12.2008 19:55     [цитировать]

Уважаемый raks.Все что связано с доводчиками и их подключением не раз обсуждалось.В том числе и недостатки подключения к доп каналу.Воспользуйтесь поиском.
Вернуться к началу [профиль] [л.с.]
Показать сообщения:   
Этот форум закрыт, вы не можете писать новые сообщения и редактировать старые.   Эта тема закрыта, вы не можете писать ответы и редактировать сообщения.    Список форумов AutoSet.ru : форумы по автосигнализациям -> Установка автосигнализаций - проблемы и неисправности Часовой пояс: GMT + 4
Страница 1 из 1

 
Перейти:  
Вы не можете начинать темы
Вы не можете отвечать на сообщения
Вы не можете редактировать свои сообщения
Вы не можете удалять свои сообщения
Вы не можете голосовать в опросах
Вы не можете вкладывать файлы
Вы можете скачивать файлы


Powered by phpBB © 2001, 2005 phpBB Group
Русская поддержка phpBB
Modified by phpBB Guru